Applications:
Printing Machines
Burning Machines
Plastic Extruders, Laminating, Film Making Machines
Uniform Temperature Equipment
Household Machines
Dust Collectors
Textile Machines
Pollution Machines
Hot Air Blowers
Dryers Machines
Incinerators
Machinery for the Food and Beverage Industries
Machinery for Cooling
Woodworking Machines
Grain Elevators
Features:
High pressure. Larger flow. Light weight.
Aluminum alloy material was Widespread be use, offer light products.
I.E.C. Designed motor (1HP UP), Squirrel Cage Induction Motors & spec ially designated shaft can satisfy long-time-continue operation.
Professional impeller designed, high pressure, larger flow, Low noise, and l>ong life.
Special air-flow-adjust designs offer stable flows and easy control.
Full range styles and sufficiently finished products of each model make quickly delivery be possible.
Specification Table

Performance Curve

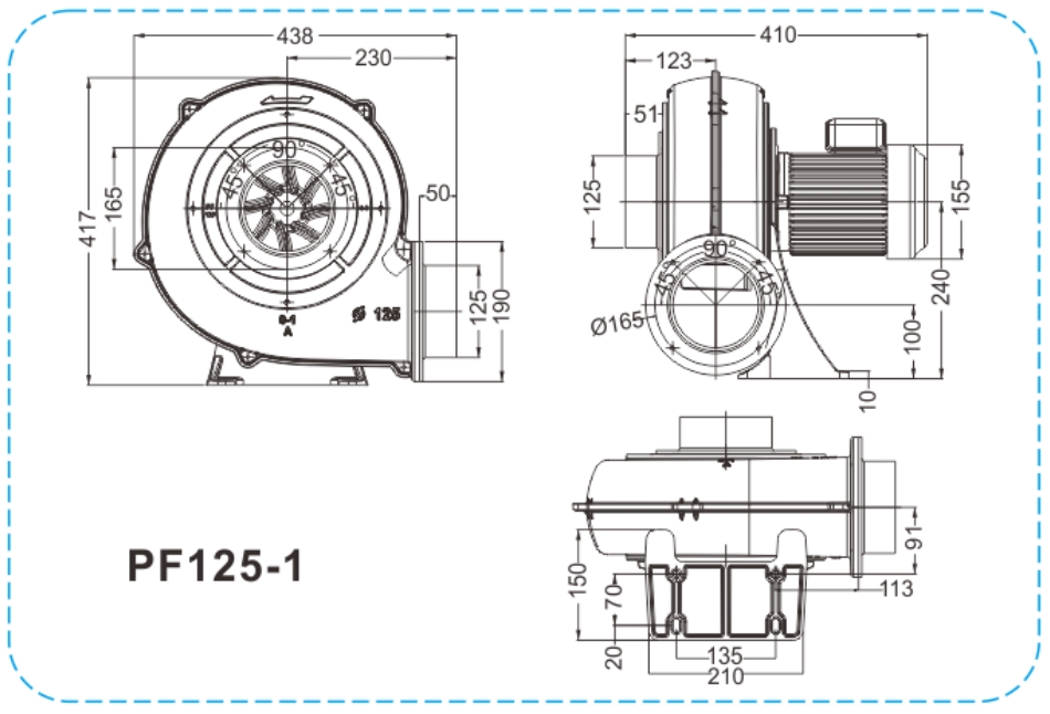
Dimension Chart

How to select the
NSR series vertical silencer Roots blower/vacuum pump is widely use←d in the following fields:
All products are certified by ISO 9001 quality management system,✔ providing 12 months quality guarantee.
If you have any technical or service needs, please contact our custom&er service team at any time:
PHONE: +86 175-1360-6056
Email: sales@chinasyfan.com